做更具性价比的优质电气产品Hefei Zhizhun Electric Co., Ltd

合肥志准电气有限公司138-1730-7507
新闻中心
联系我们contact us
咨询热线:138-1730-7507

合肥志准电气有限公司

手机:13817307507(微信同号)

邮箱:zhizhundianqi@126.com

地址:安徽省合肥市经济技术开发区繁华大道12227号中环城E3地块D座办公楼办2222-2223室

新闻中心

当前位置: 首页 >> 新闻中心

为何高压系统PT柜互感器的熔断器经常烧坏?

发布时间:2025-10-28    来源:合肥志准电气    浏览次数:314
合肥志准电气结合三个高压互感器熔断器经常烧坏的故障处理案例,与大家分享高压系统PT柜互感器的熔断器经常烧坏的原因、故障排查思路、故障处理的方法和经验。
高压系统PT柜互感器的熔断器经常烧坏案例1
[故障设备] 某电压互感器(PT)柜。
[故障现象] 在运行过程中,PT初级的熔断器经常烧断。 
[诊断分析]
①对PT的绝缘进行检查,在正常状态。
②PT柜所连接的负载见图1,主要负载有:
a、国电能计量电压回路YMa、YMB、YMc、YMn。其负载阻抗是固定的,负载电流很小,而且是均衡的。
b、信号小母线KMa、KMb。在系统正常运行时,不会出现故障信号,小母线上没有负载电流。
c、控制小母线KMa、KMb。它们由a、b两相供电,所有开关柜的控制电源和操作电源都接在这对小母线上,这样会造成PT次级回路三相负载严重不平衡,a、b两相可能过负荷,而c相没有负荷电流。
 
图1  电压互感器次级接线图
③PT次级的熔断器一般采用RM型,主要功能是进行短路保护。而初级熔断器的型号规格是RN2-10kV、0.5A,它既能实现短路保护,也具有过负荷保护作用、在长期过负荷情况下,初级的熔断器会熔断,造成上述故障现象。
故障处理:在控制小母线中,再增加c相的控制母线KMc(见图1中虚线所示)。对各个高压柜的控制电源重新调整,将它们平均分配在a、b、c T相中。自此之后, 高压熔断器没有发生因过负荷而熔断的现象。 
[经验总结]
在10kV变电所高压柜的设计中,有时采用PT柜次级电压作为操作机构的交流电源,以简化电路,降低工程造价。但是要注意次级回路中负载的平衡问题,否则会造成PT高压侧熔断器烧断。
高压系统PT柜互感器的熔断器经常烧坏案例2
[故障设备] 某10kV电压互感器(PT)柜。
[故障现象] 在运行过程中,PT初级的熔断器经常烧断。
[诊断分析]
①测量各个绕组的绝缘电阻,都在600MΩ以上。
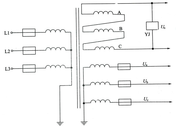
②PT柜的接线见图2,测量各个线圈的直流电阻:初级绕组中,3个绕组都在1950Ω左右;次级测量绕组中,3个绕组都在0.23Ω左右;次级开口绕组中,3个绕组都在0.33Ω左右。
 
图2  10kV电压互感器的接线
③从绝缘电阻和直流电阻来看,PT是正常的。
④对PT进行变比测试,用高压试验变压器在初级加上6kV电压,次级测量结果为:测量绕组中,Ua、Ub、Uc均为60V左右;开口绕组中,A相和B相电压约为100V,但C相电压仅为63V,开口电压U0为75V。
⑤从测量结果来看,C相电压63V、开口电压75V都是不正常的现象,正常的C相电压应为100V,开口电压应当接近0V。测量结果说明C相开口绕组中存在匝间短路。
故障处理:更换电压互感器后,测量开口电压仅为2V,故障不再出现。
[经验总结]
①检测直流电阻时都在正常状态,这是因为在冷态(没有通电)的情况下,匝间绝缘没有击穿。这种短路情况具有隐蔽性,容易被忽视。
②在检测电压互感器时,测量直流电阻并不准确,最好的方法是测量变压比。
高压系统PT柜互感器的熔断器经常烧坏案例3
[故障设备] 某变电所中的电压互感器(PT)柜。
[故障现象] 这台PT柜在运行过程中,高压侧熔丝多次烧断。
[诊断分析]
①检查互感器的二次回路,不存在短路故障。
②检查互感器的线圈,不存在接地故障,也没有出现匝间、层间、相间短路的情况。
③对10kV系统的运行情况进行了解,发现近期,在10kV架空线路中,因为部分绝缘子严重老化,经常出现单相接地故障报警。
④10kV系统为中性点不接地系统,当其中的一相接地时,另外两相的对地电压将由6kV升高到10kV左右,即由相电压变成了线电压,这将引起电压互感器高压侧激磁电流大大增加,导致熔丝熔断。
[故障处理]排除10kV架空线路中的单相接地故障。
[经验总结]
①当电压互感器高压侧熔丝连续熔断时,必须查明故障原因,不得在故障原因不明情况下更换熔丝,盲目投入运行。
②当检修中需要停用电压互感器时,必须将二次侧熔断器取下,以防止因反送电导致互感器一次侧产生高压,危及工作人员安全。
③近年来,由于大功率晶闸管等设备大量投入使用,使配电系统的电气参数发生了很大变化,容易出现谐振现象。在系统谐振时,电压互感器上将产生过电压,使电流激增,造成熔断器熔断。  

声明:本网站发布的内容(图片、视频和文字)以原创、转载和分享网络内容为主,如果涉及侵权请尽快告知,我们将会在第一时间删除。文章观点不代表本网站立场,如需处理请联系客服。电话:13817307507。

本站全力支持关于《中华人民共和国广告法》实施的“极限化违禁词”的相关规定,且已竭力规避使用“违禁词”。故即日起凡本网站任意页面含有极限化“违禁词”介绍的文字或图片,一律非本网站主观意愿并即刻失效,不可用于客户任何行为的参考依据。凡访客访问本网站,均表示认同此条款!反馈邮箱:zhizhundianqi@126.com。