做更具性价比的优质电气产品Hefei Zhizhun Electric Co., Ltd

合肥志准电气有限公司138-1730-7507
新闻中心
联系我们contact us
咨询热线:138-1730-7507

合肥志准电气有限公司

手机:13817307507(微信同号)

邮箱:zhizhundianqi@126.com

地址:安徽省合肥市经济技术开发区繁华大道12227号中环城E3地块D座办公楼办2222-2223室

新闻中心

当前位置: 首页 >> 新闻中心

合肥志准电气公司_电气设计与电气设备的选择

发布时间:2025-10-31    来源:合肥志准电气    浏览次数:373
随着国家的发展,电气系统也随着改变,日益复杂,而电气系统的设计也变得非常繁琐,电气主接线设计,元件选择,电气设备选择,配电装置设计,每个环节都是需要综合考虑现场的情况和用户的需求,电气系统中的计算,继电保护装置等问题,都是电气系统非常常见的问题,电气系统的好坏会直接影响整个设备的安全与经济运行。
1、电气系统设计
电气系统设计也就是对电气系统进行元件选择,电路计算,最后绘制出电气线路图,而电气线路图又分主线路和辅助线路,主线路图是电气系统中最重要的部分。
对于电气主接线路的要求就是需要运行可靠、灵活、经济、扩建方便等,电气线路图的运行可靠是首要任务,设备停电和人身安全是损失最大的。在电气系统中需要添加整个电路的漏电保护器,防止人在工作时候漏电产生伤害,漏电保护器的工作原理图1。
合肥志准电气 
图1  漏电保护器工作原理图
说明:图1中1为电源变压器,2为主开关,3为试验回路,4为零序电流互感器,5为电磁式漏电脱扣器图
漏电保护器工作原理是设备在正常工作时候,零序电流互感器检测电路三相电流的相量为零,在设备发生漏电时候,人触碰到电气设备,三相电流是不等于零的,电流会通过人、大地传回变压器,这样会使漏电脱扣有电压,漏电保护器会迅速自动发生感应,将主开关断开,从而避免发生触电。
电气系统设计中最重要的三个内容就是电气原理图、电器元件布置图和电气安装接线图,这三个可以作为指导文件,电气原理图是根据工作原理进行绘制,需要结构简单明了,层次分明,电气元件布局图是用来表明元件在电气设备上的实际位置,电气安装接线图是安装电气元件的实际位置进行实际接线的图纸。
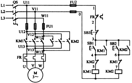
电气原理图由电气符号和数字组成,要标明电路中元件或线路的特征,数字符号区别电路图中不同的线段,例如三项电源用L1、L2、L3表示,一些还表示元件,如图2。
合肥志准电气 
图2   接触器连锁正反转控制线路
电气元件布局图需要绘制机械设备的轮廓和所有可见的电器元件及设备,用粗实线绘制轮廓,电器元件与有关图纸保持一致。电气安装接线图利用图形和文字符号,同一电器元件要画在同一个位置,同时还要与实际安装位置相同,电气元件在不同控制柜上需要利用端子板连接。
2、电气设备
电气设备的选择是设计内容之一,在电气系统中,电气设备具有不同的工作作用,同时它们的选择方法也不同,有的是根据电压选择,有的是通过电路选择,通过电气原理图尽可能的选择稳定性高、经济合理、安全可靠的电气元件。
常见的电气元件有接触器、继电器、熔断器、低压断路器、开关、按钮。这些设备的选择是通过电压和电流进行选择,通过电压进行选择,要保证电气设备允许的最高工作电压为设备额定电压的1.1-1.15倍,而电流选择时候要保证长期电流不小于该电路最大持续工作电流。熔断器的选择就是根据电路的电流进行选择的,它的选择公式如下:IRN≥(1.5-2.5)IN,式中IRN为熔断器电流;IN为电路电流。
3、配电装置
配电装置是电气控制系统的重要组成部分,它的作用就是接受和分配电能的作用,主要是屋外和屋内的配电基础要求。配电装置主要是由开关、保护和测量电气组成,它的基本要求是保证运行可靠和人身安全、经济性,同时还要便于人员操作和检修,图3为屋外配电装置图。
合肥志准电气 
图4   屋外配电装置图
在屋外配电一般是外部点通过线路连接到厂内,这时候需要保证高压电的最小安全净距,也就是图中的A1、B1、B2,在上图中配电装置,电气设备的栅栏高度不应低于1200mm,电气设备的网状遮拦不应低于1700mm。
在不断发展的今天,人类对产品的功能和质量都变得越来越高,这样就需要企业去不断的创新,研发也要不断的跟新,电气系统作为设备的主要动力,核心系统,需要长期的稳定和高标准,在一些大批量生产设备上,系统的稳定运行和生产效率是相对矛盾的,所以怎样将电气系统与生产需求完美的结合,是设计者们去不断更新和挑战的课题,也是设备运行稳定的重要因素。

声明:本网站发布的内容(图片、视频和文字)以原创、转载和分享网络内容为主,如果涉及侵权请尽快告知,我们将会在第一时间删除。文章观点不代表本网站立场,如需处理请联系客服。电话:13817307507。

本站全力支持关于《中华人民共和国广告法》实施的“极限化违禁词”的相关规定,且已竭力规避使用“违禁词”。故即日起凡本网站任意页面含有极限化“违禁词”介绍的文字或图片,一律非本网站主观意愿并即刻失效,不可用于客户任何行为的参考依据。凡访客访问本网站,均表示认同此条款!反馈邮箱:zhizhundianqi@126.com。