做更具性价比的优质电气产品Hefei Zhizhun Electric Co., Ltd

合肥志准电气有限公司138-1730-7507
新闻中心
联系我们contact us
咨询热线:138-1730-7507

合肥志准电气有限公司

手机:13817307507(微信同号)

邮箱:zhizhundianqi@126.com

地址:安徽省合肥市经济技术开发区繁华大道12227号中环城E3地块D座办公楼办2222-2223室

新闻中心

当前位置: 首页 >> 新闻中心

【志准电气】4种3相异步电动机减压起动方式(多图)

发布时间:2025-11-08    来源:合肥志准电气    浏览次数:276
星形-三角形减压起动、自耦变压器减压起动、串联电阻减压起动和软启动器常用于大功率电动机启动及运行中,仪表维修工熟练掌握这四种电动机减压起动方式的工作原理及控制回路,对提电气设备维修和控制技能大有帮助。合肥志准电气公司小编在本文对三相异步电动机减压起动方式做详细介绍。
功率较大的三相异步电动机如果采用直接起动,由于起动电流较大,会使供电线路的电压降低, 影响其他设备的运行。所以要采用减压起动。但是减压起动的结果,会使起动转矩下降较多,所以减压起动只适用于空载或轻载情况下起动电动机。
容量较小的电动机,可以直接起动,对于电动机的容量(视在功率)大于变压器容量的8%以上或30kW以上的电动机都必须采用减压起动。
合肥志准电气公司小编在本文将为大家介绍几种常用减压起动电路:
1、时间继电器自动切换三相异步电动机星行-三角形减压起动控制线路
星形-三角形减压起动,也就是起动时采用星形联结,待电动机达到正常转速后,切换成三角形联结,全压运行。
 
①工厂实物图
志准电气 
志准电气 
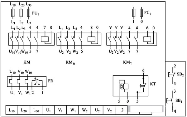
1、2、3是交流接触器,4是时间继电器,5是中间继电器,6是电流互感器,7是热继电器,其中中间继电器用于补充交流接触器的辅助触头数量的不足。
②教学演示成品
志准电气 
1是主电路熔断器,2是控制电路熔断器,3、4、5是交流接触器KM、KM△、KMy,6是热 继电器,7是时间继电器,8是接线端子排,9是按钮盒,10是停止按钮,11是起动按钮,12是主电路导线,13是控制电路导线
③星形-三角形减压起动原理图
志准电气 
志准电气 
星形-三角形减压起动主电路原理图1更便于制作,同时KM可与KM△选同一规格,主电路原理图2中,所选用的KM的额定电流应比KM△大。
④星形-三角形减压起动控制线路的工作原理
闭合断路器QS。
按下SB1,1-时间继电器KT的线圈得电,计时开始;2-KM线圈得电;由2得,3-KM常闭辅助触头(位于图中7与8之间)断开, 联锁(KM△线圈所在电路断开);4-KM常开辅助触头闭合; 5-KM主触头闭合;由4得,6-KM线圈得电;由6得,7-KM两个常开辅助触头(位于图中4与7、3与4之间)闭合,实现了对KM和SB1的自锁;8-KM主触头闭合;由5和8的共同作用, 电动机M以星形联结方式起动。
由1,达到整定时间得,9-时间继电器KT通电延时断开触头断开;由9得,10-KMy线圈失电;由10得,11-KMy主触头断开,电动机暂时失电;12-KM常闭辅助触头(位于图中7与8之间)闭合,KM△线圈得电;13-KMy常开辅助触头断开,由于有结果8的存在,结果13对电路没有影响;由12得,14-KM△主触头闭合,电动机以三角形联结运行;15-KM△常闭辅助触头断开,时间继电器KT线圈失电,KT通电延时断开触头复位(闭合)。
停止工作原理:按下SB2,各个触头全部复位,电动机失电停止。
⑤布线图
事先画出布线图,有利于快速、正确地完该控制线路的实物制作。
志准电气 
⑥星形-三角形减压起动优缺点
优点:该控制线路制作成本低,因此被广泛应用。
缺点:减压比固定(0.58倍),不能根据需要调节减压比。起动转矩较小(只有全压起动转矩的1/3), 当起动负荷较大时,可能不符合要求。
⑦所需元器件
志准电气 
2、三相异步电动机自耦变压器减压起动控制线路
自耦变压器减压起动是利用自耦变压器来降低起动时加在定子绕组上的电压,达到限制起动电流的目的。
所选的自耦变压器的容量(视在功率)应与电动机的容量相当,用于减压起动的两个交流接触器工作时间短,为了节约成本,可选择小于主电路的交流接触器。
①实物图
a、自耦变压器
志准电气 
1、2、3为铝排(导线),4为自耦变压器铁心(局部),5、6、7为自耦变压器绕组,8、9、10为铜缆(导线),1、8为自耦变压器绕组5的两根出线,2、9为自耦变压器绕组6的两根出线,3、10为自耦变压器绕组7的两根出线,各个绕组的抽头在图中各绕组后面(图中看不见)
b、电流互感器与局部主电路
志准电气 
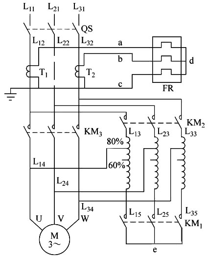
1-9为铝排(1、4、7 为L12,2、5、8为L22,3、6、9为L32);10、11电流互感器T;12、13交流接触器(12是原理图中的KM3,13是原理图中的KM2)。
C、自耦变压器减压起动柜元件实物图
志准电气 
1、2是按钮SB1、SB2(按钮帽在门外);3是时间继电器KT(4个,其中一个用于减压起动,另外几个用于保护电路);4是中间继电器KA(3个,其中一个用于减压起动控制电路,另外3个用于保护电路);5是热继电器FR;6是断路器QS;7、8、9是铝排;10是电流互感器T1、T2(图中只能看到1个,套在主电路导线上,用于测主电路电流),给热继电器提供电能;11、12、13是交流接触器(KM3、KM2、KM1);14是控制电路熔断器FU2;15、16、17、18是三相自耦变压器;19是报警器(电铃);20是时间累计器(记录电动机运行总时间)。
②自耦变压器减压起动原理图
志准电气 
自耦变压器减压起动主电路原理图
 
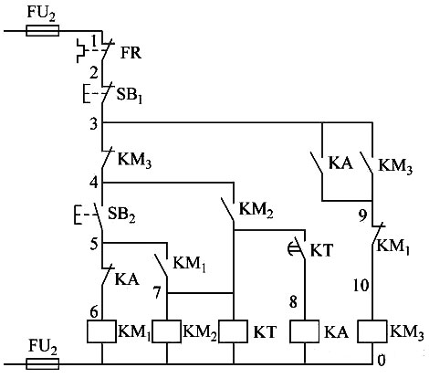
自耦变压器减压起动控制电路原理图
电流互感器T1、T2通过三根导线a、b、c与热继电器FR相连接,d为短接线,其中接地线可以省略。若选取50/5的电流互感器,热继电器的整定值为干路电流的1/10; 自耦变压器各相绕组有80%、60%两组抽头,该电路使用80%抽头;主电路导体的规格选择要根据电流大小决定,可分别选用铝排或铜缆;KM1、KM2主触头闭合,减压起动;KM3主触头闭合,全压运行,这时KM1必须断开, 否则自耦变压器未能脱离电源,电路将会出现不必要的铜耗和铁耗
③自耦变压器减压起动控制电路工作原理
合上电源开关QS
按下SB2, KM1线圈得电,1-KM1常闭辅助触头断开,联锁(KM3线圈所在的电路断开);2-KM1主触头闭合;3-KM1常开辅助触头闭合;由3得,4-KM2线圈得电;5-时间继电器KT线圈得电;由4得,6-KM2主触头闭合;7-KM2常开辅助触头闭合,自锁;由2和6的共同作用,电动机M减压起动;由5,经过整定时间,KT延时闭合触头闭合,8-中间继电器KA线圈得电;由8得,9-KA常闭触头先断开,10-KA常开触头后闭合;由9得,11-KM1线圈失电;由11得,12-KM1主触头断开,13-KM1常闭辅助触头闭合;由10和13的共同作用,得,14-KM3线圈得电;由14得,15-KM3常闭辅助触头先断开,联锁(KM2、KT、KA所有触头全部复位,电动机暂时失电,减压起动结束),16-KM3主触头闭合,17-KM3常开辅助触头后闭合,自锁;由16、17得, 电动机全压运行
④检测
断开QS, 根据各元件线圈电阻, 然后根据原理图, 同时或分别按下SB2、KM1、KM2、KM3, 测L1、L2之间的电阻, 计算其阻值与测量值是否相符
⑤自耦变压器减压起动优缺点
优点:减压比不固定(80%、75%、60%、50%), 用户能根据起动转矩的需要选择减压比(选择不同的抽头)
缺点:控制线路制作成本较高
⑥所需元器件
志准电气 
3、三相异步电动机串联电阻减压起动控制线路
电动机起动时,三相定子绕组串联分压电阻,实现减压起动,起动结束后,再将电阻短接,使电动机全压运行。由于电阻的限流作用,三相异步电动机起动时,利用串联电阻分压,降低绕组起动电压和干路起动电流,同时串联电阻减压起动控制线路有定子绕组不受电动机接线形式的限制、控制电路简单等优点。
①自制分压电阻器
自制电阻的材料规格和减压起动过程中各电学量的参考值
②串联电阻减压起动原理图
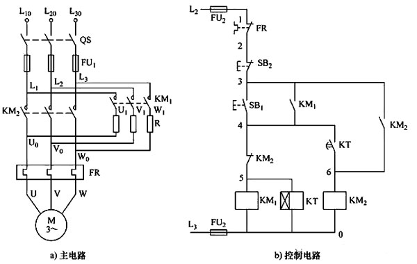
志准电气 
③串联电阻减压起动控制电路工作原理
先合上电源开关QS。
按下SB1,KM1线圈得电,1-KM1常开辅助触头闭合,自锁,2-KM1主触头闭合,电动机串联电阻减压起动,3-时间继电器KT线圈得电;由3得,4-经过整定时间,KT延时闭合触头闭合;由4得,5-KM2线圈得电;由5得,6-KM2常闭辅助触头先断开,联锁(即KM2此时不可能得电);7—KM2常开辅助触头后闭合,自锁;由6得,8-KM1线圈失电,9-KT线圈失电,KT延时闭合触头断开(复位);由8得,11-KM1主触头断开,断开电阻,减压起动结束;由5得,8—KM2主触头闭合,电动机全压运行。
停止过程:按下SB2,KM2线圈失电,所有触头全部复位。
④串联电阻减压起动优缺点
优点:起动瞬间,电阻分压大,限流明显,对整个电网影响小。起动结束时,电阻分压逐步变小,电动机转矩逐步增大。
缺点:电阻丝耗能。
4、三相异步电动机软起动器
电动机软起动器是一种减压起动器,是继星形-三角形起动器、自耦减压起动器后,较先进的起动器。
软起动器串接于电源与被控电动机之间,控制软起动器内部晶闸管的导通角,使电动机输入电压从零以预设函数关系逐渐上升,直至软起动器主电路连接图起动结束,赋予电动机全电压。
软起动时具有起动电流小、起动速度平稳可靠、对电网和设备冲击小等优点,且起动曲线可根据现场实际工况进行调整。
笼型异步电动机在不需要调速的各种应用场合都可应用软起动器。
①软起动器主电路连接图
志准电气 
②软起动器电气控制总电路接线图
志准电气 
软起动器完成对电动机的起动过程后,旁路电磁接触器的线圈得电、吸合,三相电源经旁路电磁接触器给三相电动机供电。

声明:本网站发布的内容(图片、视频和文字)以原创、转载和分享网络内容为主,如果涉及侵权请尽快告知,我们将会在第一时间删除。文章观点不代表本网站立场,如需处理请联系客服。电话:13817307507。

本站全力支持关于《中华人民共和国广告法》实施的“极限化违禁词”的相关规定,且已竭力规避使用“违禁词”。故即日起凡本网站任意页面含有极限化“违禁词”介绍的文字或图片,一律非本网站主观意愿并即刻失效,不可用于客户任何行为的参考依据。凡访客访问本网站,均表示认同此条款!反馈邮箱:zhizhundianqi@126.com。