做更具性价比的优质电气产品Hefei Zhizhun Electric Co., Ltd

合肥志准电气有限公司138-1730-7507
新闻中心
联系我们contact us
咨询热线:138-1730-7507

合肥志准电气有限公司

手机:13817307507(微信同号)

邮箱:zhizhundianqi@126.com

地址:安徽省合肥市经济技术开发区繁华大道12227号中环城E3地块D座办公楼办2222-2223室

新闻中心

当前位置: 首页 >> 新闻中心

合肥低压配电系统的接地故障电流计算公式和计算方法

发布时间:2025-11-23    来源:合肥志准电气    浏览次数:332
根据《低压配电设计规范》GB50054-2011要求,低压配电系统有IT系统、TT系统、TN系统三种接地形式。合肥志准电气在本文介绍这三种接地系统的接地故障电流计算公式、接地故障电流计算方法和相应保护电器选择。
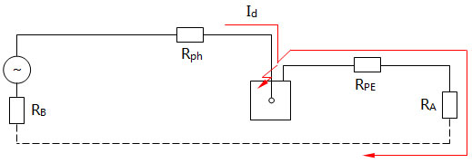
1、TN接地系统接地故障电流计算与分析
TN系统在用电端发生接地故障(以下统称故障)时的等效电路图如图1所示。
 
图1 TN系统故障时等效电路图
说明:Rph为相导体电阻,mΩ;Xph为相导体电抗,mΩ;RPE为PE导体电阻,mΩ;XPE为PE导体电抗,mΩ;RB为变压器中性点接地电阻,mΩ;Rs为变压器低压侧内电阻,mΩ;Xs为变压器低压侧内电抗,mΩ;Id为接地故障电流(交流方均根值),以下统称故障电流,kA。
TN系统接地故障电流(Id)按以下计算
  .............................公式1
公式1中:Unom为相导体对地标称电压,V;Rph•p为相保回路电阻,mΩ;Xph•p为相保回路电抗,mΩ;为故障回路电阻、为故障回路电抗,包括高压侧系统阻抗(归算到低压侧)及变压器、低压母线、低压线路相保电阻之和、电抗之和,mΩ。
当TN系统故障点离电源点(变压器)距离较长,且PE导体和相导体共处于电缆内或穿于同一导管、线槽内时,可认为Xph•p远小于Rph•p,可以忽略Xph•p,并且忽略变压器低压侧内阻,TN系统接地故障电流计算公式1可简化为公式2:
 
.........................公式2
应指出:
①当TN系统的线路截面积大(如相导体截面积在120mm2及以上)时,其电阻值较小,忽略电抗(X ph•p)将导致较大误差。相导体截面积为 120mm2(PE导体为70mm2)时,忽略电抗,使Id增大了3%-4%;相导体截面积为150mm2时,Id增大了5%-6%;相导体截面积为185mm2时,Id增大了7%-8%。为此,我国电气专家任元会建议对截面积为120mm2及以上的相导体,按公式计算的1d值乘以0.96-0.92的修正系数。
②当TN系统故障点离变压器距离很小(发生的概率很小),变压器容量小,线路截面积大时,忽略变压器阻抗将导致很大误差,不能用简化公式简化
 计算,应按公式  计算,必须计入变压器阻抗。当故障点离变压器距离较短(如几十米)时,可按公式 计算,但应乘以必要的修正系数。
③TN系统故障电流Id的大小,对选择保护电器的参数至关重要。Id值大小取决于线路长度、截面积、敷设方式等因素,其值可达几百至几千安培,甚至更大。更应关注的是,线路很长导致Id值很小时,将使过电流保护电器不能在规定时间内动作,必须进行计算,在《用断路器作故障防护时铜芯电缆最大允许长度》等文章阐述了故障防护要求和简易的计算方法。
2、TT接地系统接地故障电流计算与分析
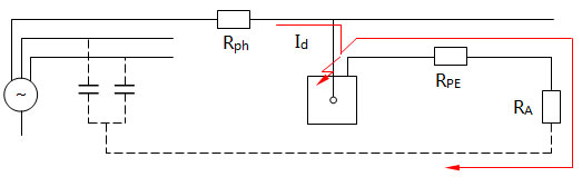
TT系统发生故障时的等效电路图如图2所示。
 
图2 TT系统故障时等效电路图(RA为Ⅰ类电气设备和用电设备外露可导电部分的保护接地电阻,Ω)
TT系统接地故障电流(Id)按公式3计算(忽略电源阻抗和线路电抗):
 .....................公式3
通常,TT系统的(RA+RB)>>(Rph+RPE),公式3可简化为公式4:
 ..............................................公式4
用于TT系统时,公式 中RA、RB单位以欧姆(Ω)计,故障电流Id以安培(A)计。
由于RA、RB阻值的限制,TT系统故障电流Id值一般仅为几安培至几十安培,比TN系统的故障电流小得多,一般情况下,使用过电流保护电器无法满足切断电源的要求,TT系统应采用剩余电流动作保护电器(RCD)作故障防护。
3、IT接地系统接地故障电流计算与分析
IT系统第一次故障时的等效电路图如图3所示。
 
图3 IT系统第一次故障时等效电路图
对于电源中性点不接地的IT系统,第一次故障时,故障电流只能通过非故障相线路和设备的对地电容形成回路,由于容抗大,此故障电流仅为毫安级。
鉴IT系统故障电流很小,IT系统可以“带病”坚持工作,而不切断电流;由于故障电流很小,故障点对地的接触电压很小,没有电击危险。
故障状态继续坚持工作并非正常状态,因此IT系统应装设绝缘监测器发出报警,提示使用、维护人员采取必要措施,以避免在故障状态下“带病”工作中再次发生故障。在此期间一旦再发生第二次异相接地故障,将导致相间(或相对中性导体间)短路,产生同TN系统或TT系统一样的故障电流,此时切断电源是不可避免的。
IT系统不宜配出N导体,即采用三相三线制。当配出N导体时,若发生N导体接地故障,将使IT系统变成TT系统,从而失去IT系统的优势。我国电气专家任元会指出,当采用了N导体接地故障的检测报警装置后,仍然可以采用三线四线制线路,这样有利于为照明、插座回路、小电器提供相对地电压(我国为220V)。
本文对低压配电系统的接地短路电流计算做了简单介绍,掌握这些知识,为电气设计中选择保护电器奠定基础,同时电气设计也离不开高性能电力仪表。

声明:本网站发布的内容(图片、视频和文字)以原创、转载和分享网络内容为主,如果涉及侵权请尽快告知,我们将会在第一时间删除。文章观点不代表本网站立场,如需处理请联系客服。电话:13817307507。

本站全力支持关于《中华人民共和国广告法》实施的“极限化违禁词”的相关规定,且已竭力规避使用“违禁词”。故即日起凡本网站任意页面含有极限化“违禁词”介绍的文字或图片,一律非本网站主观意愿并即刻失效,不可用于客户任何行为的参考依据。凡访客访问本网站,均表示认同此条款!反馈邮箱:zhizhundianqi@126.com。