做更具性价比的优质电气产品Hefei Zhizhun Electric Co., Ltd

合肥志准电气有限公司138-1730-7507
新闻中心
联系我们contact us
咨询热线:138-1730-7507

合肥志准电气有限公司

手机:13817307507(微信同号)

邮箱:zhizhundianqi@126.com

地址:安徽省合肥市经济技术开发区繁华大道12227号中环城E3地块D座办公楼办2222-2223室

新闻中心

当前位置: 首页 >> 新闻中心

在线分享欧姆龙中间继电器接线图供同行使用

发布时间:2025-12-12    来源:合肥志准电气    浏览次数:178
合肥志准电气 
中间继电器在仪表控制和电气控制中都经常用到,中间继电器接线图一般印刷在继电器外壳上,偶尔因种种原因找不到中间继电器接线图,实在不方便。下面合肥志准电气分享欧姆龙中间继电器接线图供同行使用,大家可参考看看。
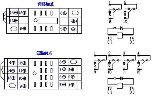
欧姆龙小型中间继电器有8脚、14脚等种类,8脚中间继电器触点为两常开两常闭,14脚中间继电器触点为4常开4常闭,中间继电器外形尺寸如下图:
合肥志准电气 
欧姆龙中间继电器接线图如下所示,中间继电器接线时需要注意中继的线圈电压,错接将导致中间继电器线圈烧毁。
合肥志准电气 

声明:本网站发布的内容(图片、视频和文字)以原创、转载和分享网络内容为主,如果涉及侵权请尽快告知,我们将会在第一时间删除。文章观点不代表本网站立场,如需处理请联系客服。电话:13817307507。

本站全力支持关于《中华人民共和国广告法》实施的“极限化违禁词”的相关规定,且已竭力规避使用“违禁词”。故即日起凡本网站任意页面含有极限化“违禁词”介绍的文字或图片,一律非本网站主观意愿并即刻失效,不可用于客户任何行为的参考依据。凡访客访问本网站,均表示认同此条款!反馈邮箱:zhizhundianqi@126.com。