做更具性价比的优质电气产品Hefei Zhizhun Electric Co., Ltd

合肥志准电气有限公司138-1730-7507
新闻中心
联系我们contact us
咨询热线:138-1730-7507

合肥志准电气有限公司

手机:13817307507(微信同号)

邮箱:zhizhundianqi@126.com

地址:安徽省合肥市经济技术开发区繁华大道12227号中环城E3地块D座办公楼办2222-2223室

新闻中心

当前位置: 首页 >> 新闻中心

合肥志准电气有限公司_电动机如何节能?

发布时间:2026-01-09    来源:合肥志准电气    浏览次数:110
《民用建筑电气设计标准》GB 51348-2019第24.4.1条对选择电动机提出节能的要求,即应合理选择电动机的功率及电压等级,并根据具体情况提出相关要求:
合肥志准电气有限公司 
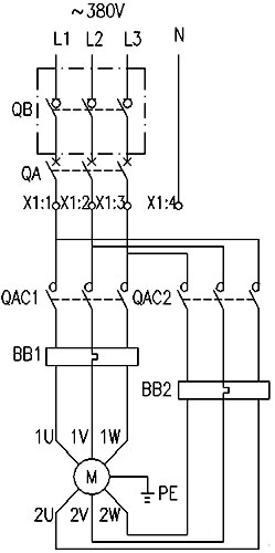
图1  双速风机主接线图
需要说明,《民用建筑电气设计标准》这一条是根据《公共建筑节能设计标准》GB50189、国家发展和改革委员会《节约用电管理办法》(2004)、《评价企业合理用电技术导则》GB/T3485编制而成。
1、电动机的效率不应低于现行国家标准《中小型三相异步电动机能效限定值及能效等级》GB18613规定的能效限定值,宜采用符合节能评价值的电动机。
目前,《中小型三相异步电动机能效限定值及能效等级》GB86132 最新版本改为《电动机能效限定值及能效等级》GB186132-2020,于2021年6月1日实施。
另外,根据《中华人民共和国节约能源法》和工业和信息化部等部门《关于组织实施电机能效提升计划(2013-2015年)的通知》(工信部联节[2013]226号)的要求,结合工业节能减排工作实际情况,经生产厂家和工业用户申报、相关行业协会和专家评审,研究提出《高耗能落后机电设备(产品)淘汰目录前后一共四批。Y、Y2、Y3、YB、YB2等系列电动机在淘汰目录中。
2、额定功率大于200kW的电动机宜采用高压电动机。
对于大功率的电动机:高压电动机电流小,转矩大,运行稳定,而且高效节能;而同样功率的低压电动机电流很大,因此其运行稳定性相对差,且能耗要高于高压电动机。当然,高压电动机的价钱会高于低压电动机,对电工要求较高。
3、恒负荷连续运行,功率在250kW及以上的电动机,宜采用同步电动机。
民用建筑中很少有此类电动机。
4、除特殊要求外,不宜采用直流电动机。
现在交流系统,这条规定具有节能意义。但要看以后民用建筑低压直流系统推广的情况了!
5、应合理采用电动机启动调速技术;当机械工作在两个不同工况时,在满足工艺要求的情况下,宜通过调整电动机极数进行调速;当机械的工况大于两个时,宜采用电动机变频调速方式,且变频调速装置应有抑制高次谐波的措施。
在民用建筑中得到广泛应用。例如,平时/消防时两用的双速风机,平时采用低速运行用于排风;火灾时采用高速运行用于排烟。风机工作在低速和高速两个不同工况,通过控制电路调整电动机极数,从而达到电动机调速的目的,既满足工艺要求,又可靠、经济。

声明:本网站发布的内容(图片、视频和文字)以原创、转载和分享网络内容为主,如果涉及侵权请尽快告知,我们将会在第一时间删除。文章观点不代表本网站立场,如需处理请联系客服。电话:13817307507。

本站全力支持关于《中华人民共和国广告法》实施的“极限化违禁词”的相关规定,且已竭力规避使用“违禁词”。故即日起凡本网站任意页面含有极限化“违禁词”介绍的文字或图片,一律非本网站主观意愿并即刻失效,不可用于客户任何行为的参考依据。凡访客访问本网站,均表示认同此条款!反馈邮箱:zhizhundianqi@126.com。