做更具性价比的优质电气产品Hefei Zhizhun Electric Co., Ltd

合肥志准电气有限公司138-1730-7507
新闻中心
联系我们contact us
咨询热线:138-1730-7507

合肥志准电气有限公司

手机:13817307507(微信同号)

邮箱:zhizhundianqi@126.com

地址:安徽省合肥市经济技术开发区繁华大道12227号中环城E3地块D座办公楼办2222-2223室

新闻中心

当前位置: 首页 >> 新闻中心

三相异步电动机的典型应用及控制电路(图)

发布时间:2025-11-02    来源:合肥志准电气    浏览次数:278
三相异步电动机基本控制线路在生产、生活中有非常广泛的应用。对于这些众多的应用电路,我们不必每个都亲自制作,但需要知道、理解一些典型的三相异步电动机应用电路,以便拓宽视野,在生产实践中能够灵活应用。要明白电路的作用,能自行分析电路图的各功能。遇到不懂的,可以阅读昌晖的讲解。
重载设备的起动控制线路
重载设备的起动过程电流较大, 但起动结束(转速基本达到额定值)后, 电流就会下降到额定值。用于过载保护的热继电器的整定电流值是根据额定电流得出的。为了在起动过程热继电器不发生保护动作,我们需要对前面所学的直接起动电路或减压起动电路进行改动。
利用电流互感器和中间继电器来控制重载设备的起动
 
原理图解释:按下起动按钮SB2(3-5),交流接触器KM、时间继电器KT、中间继电器KA的线圈同时得电,KM的常开触头(3-5)闭合,将SB2自锁(3-5),KT开始延时。与热继电器FR的两只热元件并联的KA两对常开触头KA1、KA2闭合,将热元件短路,以防止重载起动时产生的大电流使FR动作。与此同时,KM的三相主触头闭合,电动机得电、起动。随着电动机转速的升高,当升到额定转速时(也就是KT的延时时间结束时),电动机的额定电流降至额定电流以下,KT得电延时断开的常闭触头(5-7)断开,使KA的线圈失电,KA常开触头断开,将热继电器投入到电路进行工作。重载设备起动完毕。
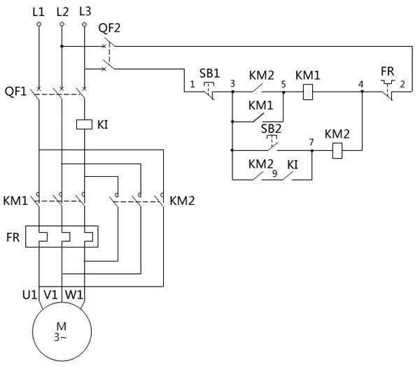
利用电流继电器来完成重载设备的起动
 
原理图解释:按下起动按钮SB2(3-7),交流接触器KM2的线圈得电、吸合,KM2三相主触头闭合,使交流接触器KM1的三个主触头和热继电器的热元件被短路,电动机的绕组串入电流继电器KI开始重载起动过程,此时电动机的电流较大,KI动作,使KI的常开触头(7-9)闭合,与KM2的常开触头(3-9, 已闭合)串联,共同对SB2形成自锁回路,KM2的线圈仍然得电、处于被吸合状态,KM2的常开辅助触头(3-5)闭合,使交流接触器KM1的线圈得电,KM1的常开辅助触头(3-5)闭合自锁,同时KM1的三相主触头闭合,为KM2解除短路做准备。随着电动机转速的升高,达到额定转速时,电动机的电流也降为额定电流,KI发生动作、释放,KI的常开触头(7-9)断开,使交流接触器KM2的线圈断电释放,KM2的三相主触头断开,解除对热继电器FR三相热元件的短接,同时KM2的常开辅助触头(3-5)变为断开状态。电动机串入过载保护热断电器FR正常运转,完成了重载起动过程。
典型传送装置控制线路
在工地、工厂的生产线,有很多传送物料的装置,其控制线路的可靠性、安全性非常重要。通过完成本任务,可掌握设计、制作这类控制装置的基本方法和技能。
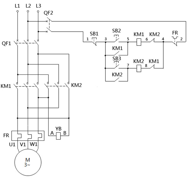
卷扬机控制线路
 
原理图解释:提升时按下正转的起动按钮SB2(3-5),交流接触器KM1线圈得电、吸合,且KM1常开辅助触头(3-5)闭合自锁,KM1三相主触头闭合,电动机和电磁抱闸YB线圈同时通电,电磁衔铁被吸合到铁心上,衔铁通过传动机构使制动器闸瓦松开,电动机得电正转运转,电动机拖动装置上升。
提升过程需停止时,可按下停止按钮SB1(1-3),正转交流接触器KM1线圈失电、释放,KM1三相主触头断开,电动机失电(靠惯性仍能运转),但电磁抱闸YB的线圈同时断电,制动器在弹簧的作用下,使衔铁离开铁心,制动器闸瓦抱住电动机的转轴进行制动,拖动装置停止。
下降时,按下反转按钮SB3(3-7),反转交流接触器KM2线圈得电吸合,且KM2的常开辅助触头(3-7)闭合自锁,KM2的三相主触头闭合,电动机及电磁抱闸的线圈YB得电,使制动器的闸瓦松开,电动机得电,反转运行拖动装置下降。
下降过程需要停止时, 按下停止按钮SB1(1-3),接触器KM2的线圈失电,KM2的三相主触头断开,电动机失电,靠惯性可继续运转一会儿,但此时电磁抱闸的YB的线圈断电,导致制动器的闸瓦抱住电动机的转轴进行制动。拖动装置停止下降。
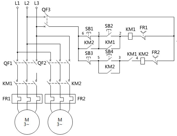
多条传送带运送原料控制线路
 
起动过程:按下起动按钮SB2,交流接触器KM1线圈得电、吸合,KM1的辅助常开触头(1-2)闭合,对SB2起自锁作用,电动机M1得电、运转,第一条传送带开始工作,KM1的另一对辅助常开触头(3-4)也闭合,为交流接器KM2的线圈接入电路做好了准备。这时,只要按下SB4,第二条传送带就能投入运行。可见,只有按下SB2、第一条传送带投入运行后,第二传送带才能投入运行。当按下SB4,KM2线圈得电,其辅助常开触头(5-3)闭合,对SB4起自锁作用,电动机M2得电、运行,第二条传送带投入运行。同时,KM2的辅助常开触头(6-1)闭合,使停止按钮SB1被短路,所以按下 SB1不会使M1停止。
停止过程:当按下停止按钮SB3,KM2的线圈失电,电动机M2停止,KM2的辅助常开触头(6-1)断开,在该条件下,按下SB1,会使接触器KM1的线圈失电,电动机M1停止。可以看出,只有当第二条传送带停止后,第一条传送带才能停下来。
三相异步电动机常用保护电路
三相异步电动机断相、过热、过电流等因素会损伤电动机的电气性能,甚至烧毁电动机的绕组。在很多场合,给电动机加上保护装置,可延长电动机的使用寿命、提高生产效率。
电动机过热保护控制线路
原理图解释:在电动机内设有与交流接触器线圈串联的过热保护器(或温度电阻),当电动机超温达到一定的时间,过热保护器的一对触头断开(或者温度电阻熔断),切断了给交流接触器线圈的供电,导致电动机失去三相供电而停机。
电动机断相保护电路
断相又叫缺相,是指三根相线中有一根断路。
断相保护电路原理解释:闭合QF1,按下起动按钮SB2,交流接触器KM的线圈(5-4)得电,使常开主触头闭合,电动机得电、运转,交流接触器的常开辅助触头(3-7)闭合,同时电流继电器KA1、KA2、KA3线圈得电,使它们的常开触头KA1、KA2、KA3闭合,对 SB2 形成自锁,当三相中任一相断路时,KA1、KA2、KA3中必有一个失去电压,其相应的常开触头会断开,使交流接触器KM线圈失去供电,从而切断给电动机的供电而停机。
电动机的过电流保护电路
 
原理图解释:该控制线路使用了一个互感器来感应电动机的工作电流。当三相异步电动机的工作电流超过额定电流后,过电流继电器KI达到吸合电流而吸合,其常闭触头断开,KM线圈失电而释放,使电动机断电,起到了保护电动机的作用。
在电动机起动时,电流较大,为了防止过电流继电器动作,采用时间继电器的常闭触头将互感器短接,待电动机起动完毕,电流降为正常时,时间继电器KT经延时后动作,其常闭触头断开、常开触头闭合,使KI的线圈接入互感器电路中(串联),实现过电流保护。

声明:本网站发布的内容(图片、视频和文字)以原创、转载和分享网络内容为主,如果涉及侵权请尽快告知,我们将会在第一时间删除。文章观点不代表本网站立场,如需处理请联系客服。电话:13817307507。

本站全力支持关于《中华人民共和国广告法》实施的“极限化违禁词”的相关规定,且已竭力规避使用“违禁词”。故即日起凡本网站任意页面含有极限化“违禁词”介绍的文字或图片,一律非本网站主观意愿并即刻失效,不可用于客户任何行为的参考依据。凡访客访问本网站,均表示认同此条款!反馈邮箱:zhizhundianqi@126.com。