做更具性价比的优质电气产品Hefei Zhizhun Electric Co., Ltd

合肥志准电气有限公司138-1730-7507
新闻中心
联系我们contact us
咨询热线:138-1730-7507

合肥志准电气有限公司

手机:13817307507(微信同号)

邮箱:zhizhundianqi@126.com

地址:安徽省合肥市经济技术开发区繁华大道12227号中环城E3地块D座办公楼办2222-2223室

新闻中心

当前位置: 首页 >> 新闻中心

电容补偿柜知识分享!安徽电气设备推荐志准电气公司

发布时间:2025-11-05    来源:合肥志准电气    浏览次数:463
合肥志准电气专业介绍电容补偿柜作用、工作原理、电容补偿柜一次原理图、电容补偿柜二次接线图和电容补偿柜转配工艺,对仪表维修工和电工快速熟悉和掌握电容补偿柜相关知识大有帮助。
电力系统中的负载类型大部分属于感性负载,加上用电企业普遍广泛地使用电力电子设备,使电网功率因数较低。较低的功率因数降低了设备利用率,增加了供电投资,损害了电压质量,降低了设备使用寿命,大大增加了线路损耗。故通过在电力系统中连入电容补偿柜,可以平衡感性负载,提高功率因数,以提升设备的利用率。
电容补偿柜作用及工作原理
电容补偿柜的作用是提高负载功率因数,降低无功功率、提高供电设备的效率。电容补偿柜是否正常工作可通过功率因数表的读书判断,功率因数表读数如果为0.9左右可视为工作正常。合上刀熔开关和断路器,无功功率补偿控制器根据进线柜电压和电流的相位差输出控制信号,控制交流接触器的闭合和断开,从而控制电容器投入和退出。下图给出了其实物结构和一次电路主电路图。
 
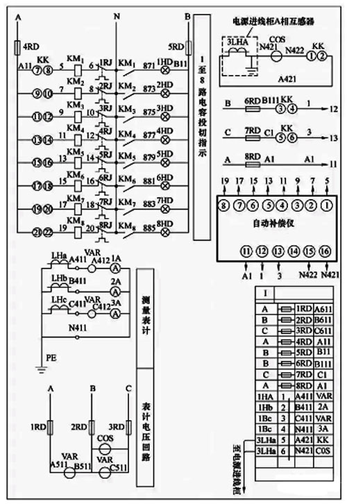
电容补偿柜二次原理图
二次电路工作原理的过程为:手动工作时,转换开关KK从KK21-22开始每转过一个位置多接通一个LED灯,表示1-8个电容器依次进入使用状态;自动接通时,转换开关KK如在KK1-2位置停下,那么除停下的位置,其余均接通。二次电路原理图如下所示。
 
电容补偿柜二次电路安装接线图
二次电路安装接线图如下所示
 
读图方法为:如A611/1:Ua,其中A611是线号,1为元件号,Ua为元件端子号;再例如7:5,其中7代表元件号,5代表元件端子号;29:A2,其中29代表元件号,A2代表元件端子号。
电容补偿柜二次电路的安装工艺
①使用工具:剥线钳、剪刀、螺钉旋具、压接钳、适用套筒扳手、尖口钳、弯线钳、搭灯、活络扳手、电工刀。
②根据图样,安装二次系统的继电器、仪表、信号灯、端子排等电器元件及其附件。
③按布置图粘贴元件标号,标号一般粘贴在该元件正中上部的金属构架上,个别情况元件上方不能粘贴标号时,可就近选择适当位置粘贴。
④根据图样确定配线途径。按配线途径量线,正确落料(一般放长300~500mm),且两端做好标记或套上线号,即按配线途径进行敷设。
⑤导线的敷设应做到横平竖直,层次美观清晰,用扎带捆扎或用绕带绕扎。可将二次线敷设在专为配线用的塑料行线槽内,此时只需将导线整理清楚而无须捆扎。
电容补偿柜装配步骤
安装接线按照先左后右、从上到下、由里到外、先难后易的接线原则进行接线。先接无功功率表、电流表、电压表;然后接自动补偿仪、万能转换开关;完成以后进行捆扎线保持横平竖直转角为90°。端子排接线要留出一段线,每只端子上接线螺钉最多接两根导线。然后接线电流互感器、交流接触器、热继电器。

声明:本网站发布的内容(图片、视频和文字)以原创、转载和分享网络内容为主,如果涉及侵权请尽快告知,我们将会在第一时间删除。文章观点不代表本网站立场,如需处理请联系客服。电话:13817307507。

本站全力支持关于《中华人民共和国广告法》实施的“极限化违禁词”的相关规定,且已竭力规避使用“违禁词”。故即日起凡本网站任意页面含有极限化“违禁词”介绍的文字或图片,一律非本网站主观意愿并即刻失效,不可用于客户任何行为的参考依据。凡访客访问本网站,均表示认同此条款!反馈邮箱:zhizhundianqi@126.com。