做更具性价比的优质电气产品Hefei Zhizhun Electric Co., Ltd

合肥志准电气有限公司138-1730-7507
新闻中心
联系我们contact us
咨询热线:138-1730-7507

合肥志准电气有限公司

手机:13817307507(微信同号)

邮箱:zhizhundianqi@126.com

地址:安徽省合肥市经济技术开发区繁华大道12227号中环城E3地块D座办公楼办2222-2223室

新闻中心

当前位置: 首页 >> 新闻中心

案例分析:从一起二级负荷供电的案例看发电机起动条件设置

发布时间:2025-11-21    来源:合肥志准电气    浏览次数:307
某医院打算简化其放射科设备的供电方式,主要是想将原设计的双回路末端切换供电改为单回路供电。院方首先咨询了医疗设备供货商,认为没有问题。那么从设计规范出发,这种做法是否可行呢?
这家医院为二级医院,且院方已经确认这些设备都是用于诊断,不用于治疗。那么根据JGJ312-2013《医疗建筑电气设计规范 》续表4.2.1,二级医院影像科诊断用电设备的负荷等级为二级,再根据续表3.0.2,影像科设备的自动恢复供电时间要求≤15s。
从以上两个要求出发,我们分析一下院方要求的单回路供电是否满足规范要求。
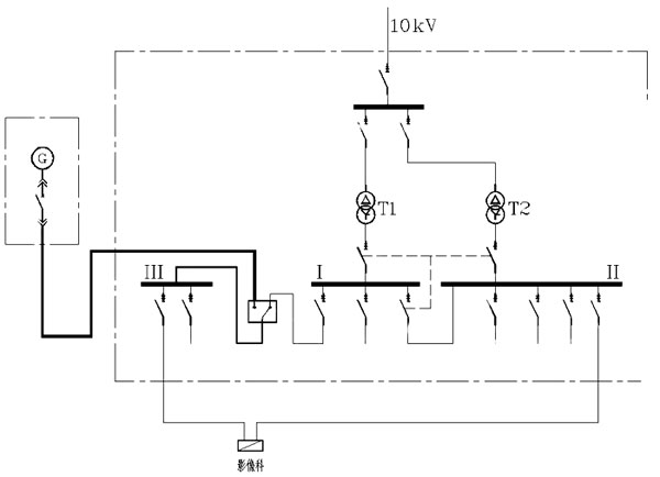
原设计的供电系统框图如下:
 
原设计中影像科设备由Ⅱ段、Ⅲ段母线分别引出一条回路进行双切后供电,而III段母线是由市电、油机两个独立电源保证其供电,即所谓的应急母线段;另外虽然变电所内设置有两台变压器,但是其高压侧进线只有一路市电。
从原设计的供电方案分析,不管是市电停电、任意一台变压器故障,还是任意一段母线故障或任一条出线电缆故障,都能保证影像科设备的供电,且能满足恢复供电时间在15s以内,而且这种保障能力与Ⅰ、Ⅱ段母线之间的母联是否自投没有关系,实际上我们可以看到,这其实已经满足一级负荷的供电要求了。
接下来分析,如果影像科的供电采用单回路是否可行?按照新民标GB51348-2019第3.2.11条,我们发现找不到完全对应的条款,其中最接近的是第3款:3 当建筑物由双重电源供电,且两台变压器低压侧设有母联开关时,二级符合可由任一段低压母线单独供电;
第3款的字面意思背后,个人理解就是在双重电源中保证任一个电源不停电的前提下,任一台变压器故障时,还能通过母联保证两段母线都有电,此时二级负荷由单回路供电是可行的。也就是说,在这种前提下,规范考虑了变压器故障的可能性以及双重电源其中一个电源停电的可能性,但没有考虑母线故障以及电缆故障的可能性,当然对于二级负荷来说,这种考虑是有道理的,毕竟母线故障、电缆故障的可能性比外部停电的可能性低得多。
那么,对于这个案例的实际情况,由于新民标3.2.11条并没有完全对应的合适条款,个人认为从第3款出发,设计师可以适当延申一下。首先发电机和市电可以认为是双重电源,两者不会同时停电,其次在不考虑母线故障和电缆故障的前提下,如果从第Ⅲ段母线,也就是应急母线段引出单回路给影像科供电,那么不管是在市电停电,还是在任一台变压器故障的情况下,都能保证应急母线段不失电或能在15s之内恢复供电,这与新民标3.2.11条第3款的要求其实内核思想是一致的,那么应该是可以认为满足了二级负荷的供电需求以及《医疗建筑电气设计规范》JGJ312-2013对于二级医院影像科诊断设备的供电要求的。
但是上述供电方案还有一个漏洞需要弥补,就是发电机的起动条件。
原设计的发电机起动条件是“两台变压器的低压侧主进线开关均失压脱扣时才起动发电机”,这对于原方案来说没有问题;但是当将影像科改为单回路供电后需要做出一定的修改。
当Ⅰ、Ⅱ段母线之间的母联开关是自动投切时,其实任一台变压器故障是不会长时间导致III段母线失电的,此时发电机的起动条件可以不做变化。
但是我们知道两段低压母线之间的母联自动投切其实需要满足相当多的条件,比如变压器的负载率控制,三级负荷的切除、母线是否故障的判断等等,很多地区电力公司并不推荐低压母线之间采用自动投切,所以如果当母联是手动投切时,无论如何不可能满足15s之内恢复Ⅲ段母线的供电,此时发电机的起动条件需要修改为“当T1变压器低压侧主进线开关失压脱扣时,或两台变压器的低压侧主进线开关均失压脱扣时,均应该起动发电机”。
以上是对于这个案例的一点个人浅见,也许还有考虑不周之处,希望各位同行能提出宝贵意见。

声明:本网站发布的内容(图片、视频和文字)以原创、转载和分享网络内容为主,如果涉及侵权请尽快告知,我们将会在第一时间删除。文章观点不代表本网站立场,如需处理请联系客服。电话:13817307507。

本站全力支持关于《中华人民共和国广告法》实施的“极限化违禁词”的相关规定,且已竭力规避使用“违禁词”。故即日起凡本网站任意页面含有极限化“违禁词”介绍的文字或图片,一律非本网站主观意愿并即刻失效,不可用于客户任何行为的参考依据。凡访客访问本网站,均表示认同此条款!反馈邮箱:zhizhundianqi@126.com。