做更具性价比的优质电气产品Hefei Zhizhun Electric Co., Ltd

合肥志准电气有限公司138-1730-7507
新闻中心
联系我们contact us
咨询热线:138-1730-7507

合肥志准电气有限公司

手机:13817307507(微信同号)

邮箱:zhizhundianqi@126.com

地址:安徽省合肥市经济技术开发区繁华大道12227号中环城E3地块D座办公楼办2222-2223室

新闻中心

当前位置: 首页 >> 新闻中心

等电位联结和接地接触电压计算与降低接触电压效果比较

发布时间:2025-11-24    来源:合肥志准电气    浏览次数:294
电流表在《等电位联结的作用、种类及设置》和《对比分析接地和等电位联结的共同点和区别》文章后,结合等电位联结和接地降低接触电压效果的比较,分享故障时重复接地接触电压和等电位联结接触电压计算方法,帮助电气设计人员进一步了解等电位联结相关知识。
接地和等电位联结降低接触电压效果的比较
1、系统设定
某建筑物采用TN-C-S系统,电源从建筑物外变电站引入,变压器中性点接地,配电系统示意图如图1所示。
 
图1 配电系统(TN-C-S)示意图
2、设定接地和等电位联结两种情况,当设备A故障时,接触电压对比:
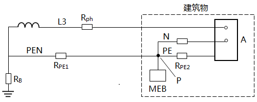
①建筑物进线处只做重复接地,不做等电位联结,如图2所示:
 
图2 配电系统(TN-C-S)做重复接地
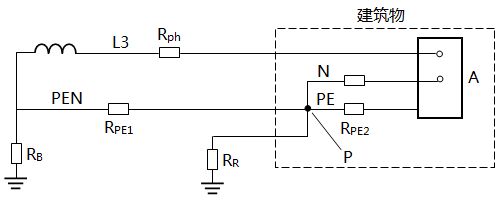
②进线处做保护等电位联结,通常也做接地,如图3所示:
 
图3 配电系统(TN-C-S)做等电位联结
说明:在图2和图3中,Rph为相导体电阻:从变电站低压柜到设备A的相导体电阻,Ω;RPE1为从变电站低压柜到建筑物进线处P之间的PE导体电阻,Ω;RPE2为从进线处P到设备A之间的PE导体电阻,Ω;RB为变压器中性点系统接地电阻,Ω;RR为建筑物进线处(配电箱)P点做重复接地的电阻,Ω。
3、计算条件
①电缆和穿管线路,PE和相导体同处一外护物内,可忽略电抗;
②故障点距离变压器较远时,可忽略电源阻抗。
4、故障时重复接地接触电压和等电位联结接触电压计算
①做重复接地的设备A处故障时的等效电路图见图4,做等电位联结的设备A处故障时的等效电路图见图5。
 
图4 做重复接地的配电系统(TN-C-S)故障时等效电路图
 
图5 做等电位联接的配电系统(TN-C-S)故障时等效电路图
②做重复接地,故障时接触电压(Uf•R)计算,为A到地(D点)的电位差:U f•R=Id×RPE2+Id2×RR,在图4中,(RR+RB)同RPE1并联,则Id2×(RR+RB)=Id1×RPE1,而Id1=Id-Id2,所以Id2×(RR+RB)=(Id-Id2)×RPE1,经整理,可得
将式代入式Uf•R=Id×RPE2+Id2×RR,整理后得 
③做等电位联结,故障时接触电压(Uf•EB),为A到P点(MEB处)的电位差,计算式如下:Uf•EB=Id×RPE2
5、重复接地和等电位联结情况下故障时的接触电压比较
减Uf•EB=Id×RPE2,可知做重复接地比做等电位联结的接触电压高。可见等电压联结对降低接触电压效果更好。
应当指出,做等电位联结降低接触电压更有效,但是否能降低到安全电压(交流50V,甚至25V)以下,从式Uf•EB=Id×RPE2看,应取决于RPE2和Id值。一般来说,当设备A(故障处)离MEB(P点)距离较远时,往往不可能降到安全电压以下,当无法保证在规定时间内切断电源或特定场合要求时,需要在这些范围增加辅助等电位联结SEB,以达到这个目标。
故障时重复接地接触电压和等电位联结接触电压计算方法内容到此告一段落,相信您在合肥志准电气官网上的持续学习,对解决你低压配电系统设计的疑难问题会有帮助!另外,低压配电设计中选用高性能、高可靠性电力仪表对提高配电系统档次、性能有帮助。

声明:本网站发布的内容(图片、视频和文字)以原创、转载和分享网络内容为主,如果涉及侵权请尽快告知,我们将会在第一时间删除。文章观点不代表本网站立场,如需处理请联系客服。电话:13817307507。

本站全力支持关于《中华人民共和国广告法》实施的“极限化违禁词”的相关规定,且已竭力规避使用“违禁词”。故即日起凡本网站任意页面含有极限化“违禁词”介绍的文字或图片,一律非本网站主观意愿并即刻失效,不可用于客户任何行为的参考依据。凡访客访问本网站,均表示认同此条款!反馈邮箱:zhizhundianqi@126.com。