做更具性价比的优质电气产品Hefei Zhizhun Electric Co., Ltd

合肥志准电气有限公司138-1730-7507
新闻中心
联系我们contact us
咨询热线:138-1730-7507

合肥志准电气有限公司

手机:13817307507(微信同号)

邮箱:zhizhundianqi@126.com

地址:安徽省合肥市经济技术开发区繁华大道12227号中环城E3地块D座办公楼办2222-2223室

新闻中心

当前位置: 首页 >> 新闻中心

科普按钮开关在二次控制回路中的功能、使用及安装

发布时间:2026-01-04    来源:合肥志准电气    浏览次数:118
工业控制的核心是电动机的控制,电动机控制的核心是接触器,接触器线圈控制常规元器件就是按钮开关,今天合肥志准电气小编介绍按钮开关在二次控制回路中的功能、使用及安装。
合肥志准电气 
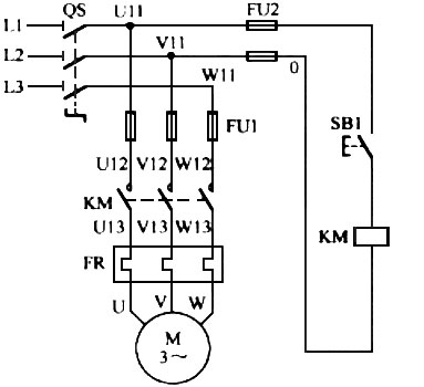
1、三相异步电动机的点动控制
电动机的点动在工业控制中常用在调试和检修状态,此状态中需要人为的控制运动的时间以查看回路的运行状态。
合肥志准电气 
回路说明:在该控制回路中,按钮手动按下后回路接通,松手后按钮弹出,回路断开,通过手动按动上下实现接触器的吸合释放,进一步实现电动机的点动功能。
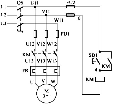
2、三相异步电动机的启动控制
电动机的启动在工业控制属于基本回路之一,常用在电动机控制的启动阶段,常搭配停止一起使用。
合肥志准电气 
回路说明:在该回路的控制中,使用的按钮开关和点动回路一致,仅在按钮开关两端并联接触器的辅助常开触点,实现回路的接通自锁功能,使用按钮开关为标准型自复平钮,自带一组常开触点。
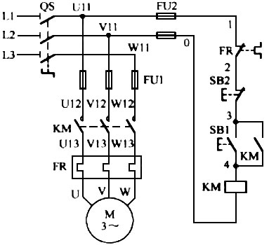
3、电动机启动+停止控制
该回路是一个较为简单的完整的控制回路,可以控制电动机的启动和停止,常用在较为简单的工业控制中。
合肥志准电气 
回路说明:在该回路的控制中,启动仍然使用自复位式1NO按钮,在回路中按下按钮开关后接触器线圈得电吸合,接触器主回路接通电动机开始工作,接触器辅助常开闭合,回路自锁,完成启动;在启动按钮前端增停止按钮,使用型号为德力西电气LAY5s-BA 红色 1NC (标准型平钮),按钮开关常闭触点串联在回路中,按钮按下后,回路断电,接触器线圈断电回路断开,电动机停止工作。
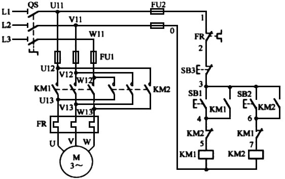
4、电动机启动+停止+反转控制
该回路增加了电动机的反转控制功能,常在需要电动机正传和反转的回路中,在一些常用的农业机械中有大量的使用。
合肥志准电气 
回路说明:在该回路中,通过控制电动机的接线相序,实现正传和反转,两台接触器分别实现电动机的正转控制和换相后的反转控制,在控制回路中,分别控制两台接触器线圈的吸合和释放,要求两台接触器不能同时得电。所以在回路控制中出去按钮的自锁启动外还增加了互锁,即在回路中增加另外一个按钮的常闭触点和另一台接触器的常闭触点;所以回路中选用的触点为1N0+1NC。
5、按钮开关安装
5.1 安装类别
该系列按钮为φ22mm面板安装按钮,面板安装孔为φ22.7mm~φ22.3mm,标准型按钮可采用1-6mm厚度的安装面板,经济型按钮可采用1-4mm厚度的安装面板。
5.2 安装方式
标准型按钮采用螺钉安装,经济型按钮采用卡扣安装。
5.3 拆卸
标准型按钮:用合适的螺丝刀将中座上的紧固螺钉拧下,固定触点模块后,将按扭头逆时针方向转动,停止转动取出即可,经济型按钮用φ3mm的螺丝刀将中座上的卡扣向外翘使扭头松动,将扭头取出即可。
5.4 安装
标准型按钮:按钮头从安装板正面装入,将按钮的中板四个凸台对准头部定位处卡入并顺时针转动,拧紧固定螺钉即可。
经济型按钮:退出螺纹圈,将按钮头从面板正面装入,固定好扭头方向后拧紧螺纹圈,通过中座的卡扣将触点模块扣紧按钮头。

声明:本网站发布的内容(图片、视频和文字)以原创、转载和分享网络内容为主,如果涉及侵权请尽快告知,我们将会在第一时间删除。文章观点不代表本网站立场,如需处理请联系客服。电话:13817307507。

本站全力支持关于《中华人民共和国广告法》实施的“极限化违禁词”的相关规定,且已竭力规避使用“违禁词”。故即日起凡本网站任意页面含有极限化“违禁词”介绍的文字或图片,一律非本网站主观意愿并即刻失效,不可用于客户任何行为的参考依据。凡访客访问本网站,均表示认同此条款!反馈邮箱:zhizhundianqi@126.com。